网络处理器(Network Processor)与CompactPCI
      
      Jeff Munch 
        2003/04/18
      
      
        English Version 
        在目前的市场中,网络处理器(Network Processor)是最专业的处理器之一,这种处理器的目的在于希望能以At Line Rate来处理封包格式的数据。最近几年来,芯片供货商正透过各种WAN 
      edge/access、无线网络基础建设、以及网络第四到七层交换器应用等领域中各种特殊应用IC来积极地招徕网络处理器。
      
        这篇文章会带领读者看看一些由国际PICMG?协会(PCI Industrial Computer Manufacturers Group)所订定的规范在网络处理器的领域有何代表性应用,我们会以ATM转换IP的应用来当做范例。
      
      网络处理器数据的传输接口
      
        在标准的CompactPCI平台运用网络处理器时,第一项挑战是如何处理网络处理器的数据传输接口,网络处理器一般是以封包为基本接口来连接各实体层的装置,最普遍的传输接口包括UTOPIA(Universal 
      Test and Operations PHY Interface for ATM)、POS-PHY(Packet Over SONET PHYsical)及SPI-3(System 
      Packet Interface level 3)。对于更趋复杂的未来,有些接口也提供单一接口支持多实体层装置的multi-PHY模式。
      
        读者会发现,网络处理器对于主数据传输路径的接口形式与传统CompactPCI板卡使用的PCI总线是非常不同的。早期就采纳CompactPCI作为网络处理器的人士认定,未来必须要提供一个可支持封包数据传输的弹性接口。
      
        下图是使用Intel IPX2400的范例,说明规划时可能要处理的一些接口。请注意,许多网络处理器允许接口被设定成可支持多种不同的传输,以下只是其中一种可能的设定范例。
      
      
        在上面这个例子中,Utopia总线最后会连接到一个ATM实体层的装置,且为了考量IP流量,SPI-3接口会连接到两个以太网络的实体层。我们可使用I/O 
      Mezzanine以提供ATM实体层的连接,让这些实体层更具灵活性。
      
      I/O Mezzanines
      
        CompactPCI 以及 VME板卡的研发人员,常使用PMC插槽作为提供额外I/O扩充力的方法,PMC可附加在板卡上,以扩充板卡的I/O 
      酬载。典型的PMC包含了大量储存装置、网络,以及一般的I/O。
      
        PMC的规格是以PCI总线担任板卡与PMC模块间的接口。选择PCI为接口是因为PCI相当普遍:几乎任何你渴求的I/O功能都可在PCI接口上找到。PMC接口对CompactPCI 
      以及 VME市场提供了相当大的助益,但却缺乏了网络处理器所需、以封包格式传输数据的接口。
      
        在2001年8月,PICMG协会提出了PICMG 2.15 PCI Telecom Mezzanine Card (PTMC)的规范,这项规格不但打算支持四个普遍的工业规格电信总线接口 
      (H.110、Utopia Level 2、POS-PHY与RMII),且支持现有的32及64位PCI总线。在2002年底,PICMG协会发表了PICMG 
      2.15的工程改变需求通知,这份工程改变需求通知,透过将以太网络扩充力由4个增加到7个,来提高TDM 及UTOPIA配置法的数量。PICMG 2.15提供的弹性,也就是容易使用。
      
        PICMG 2.15 委员会必须局限在PMC规格中可用的一些pin脚中规划,他们需要先明文订妥PMC的规格配置以及脚位使用的定义,还需要重新定义过去使用的64位PCI接口的前32位,以限制PTMC新的I/O扩充力符合32位接口。
      
        当使用PTMC时,验证PTMC与它要插上的载板是否支持相同的配置法是很重要的。下表定义了一些PTMC版卡可用的配置法:
      
      
        PTMC以及载板的能力是根据它的配置形式来决定的。举例而言,一个PTMC及载板支持「配置5 (Configuration 5)」(两个以太网络及32位PCI接口)会称为PT5MC,而载板则被称为PT5CC。值得注意的是,PMC 
      可用来支持rear I/O的I/O line数量,是根据不同配置型态而定,选择PTMC时,需要考量到接口与rear I/O的需求。
      
        我们来看看下面PT4MC的区块图。这张图提供了四个OC-3的界面,同时使用Utopia level 2来互相联系网络处理器。
      
      
        在这个例子中,Utopia总线是封包传输的主要数据传输路径,PCI总线是用来设定与控制IXF6012,透过使用了PTMC,设计工程师可提供各种连接到网络处理器的实体层更多弹性。
      
      PICMG 2.16
      
        在这篇应用的下一段是关于IP数据传输。基于系统容错备援的概念,这个IP传输应该要具有以太网络的备援,以及足够处理所需流量的频宽。
      
        在2001年9月,PICMG协会认可了PICMG 2.16 Packet Switched Backplane规格,这份规格定义了CompactPCI板卡可透过双重 
      10/100/1000Mbit以太网络互相连系。与PICMG 2.16兼容的系统已经运用在多种应用领域中,而以太网络联系的本质以及IP封包传输的需求,也在系统供货商之中获得较高阶的采用。
      
        下图表达的是IP联机的架构。值得关注的是,这个范例已经将PCI总线从CompactPCI系统中移除。可预见的,整个产业已经开始由PCI转变为可联机并处理IP流量的平台,下面是个可能的成品范例。
      
      
      
        PICMG 2.0 与 PICMG 2.16 架构
        在创造一块可将ATM转换为IP的CompactPCI板卡时,有的人可能会想要在过去讨论过的内容之外,再一些有弹性的功能。在许多案例里,一些应用或许需要一般额外的运算能力以处理异常的封包,而只要增加一个额外的PMC 
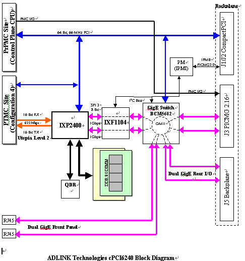
        插槽来支持处理器的PMC卡即可。为了测试,有的使用者可能想要透过板卡前端来存取IP流量,有些板卡前端的以太网络接头,可能只用来发送 IP流量。在这个案例中,PTMC将不会派上用场。下面的区块图,会呈现一个有弹性、一般用途的网络处理器刀片。
      
      
      
      凌华科技 cPCI-6240 区块图
      总结
        
          网络处理器的部分就讨论到这边,工业标准存在至今且目前使用在需要操作或路由封包数据的应用中。一些合用的标准包括了PICMG 2.0 CompactPCI规格、PICMG 
        2.16 Packet Switched Backplane规格,以及PICMG 2.15 PCI Telecom Mezzanine Card规格。
        
          在这个范例中,ATM 封包(cell)可透过PTMC卡上的系统讯框器 (framer)来缓冲,PTMC与网络处理器板卡使用Utopia 
        level 2在彼此间传输数据。以太网络转辙器与实体层为PICMG 2.16 的IP流通提供了备援的连结。接下来,这篇文章遗失的那块拼图是自动保护切换 
        (Automatic Protection Switching,APS)。大多数处理ATM的应用在卡片层面都需要有备援装置,这需要两块网络处理器板卡共享彼此的状态信息。如此,当遇到故障状态时,备用的网络处理器板卡才可在最少的时间与数据损失下接管系统。这就是留待各位读者思考的习题了。
      
      凌华科技供稿 CTI论坛编辑
      
 
相关链接: